成博科技—国产智能运输测振仪品牌!                                                                                    1505307543134056.png 咨询热线: 400-6285-560   028-85249456

成都成博科技有限公司

案例
网站首页 > 典型案例 > 高压开关

T560冲击记录仪高压开关运输使用案例—平高集团

河南平芝简介

      平高集团某有限公司成立于2000年9月8日,由平高电气股份有限公司与日本·株式会社东芝共同出资组建,全面采用东芝的技术和管理,专业生产高压开关设备的中日合资企业。
      公司主要经营GIS组合电气产品的设计、制造、组装、试验、销售及售后服务等项业务,是国内生产GIS系列电气的主要厂家之一。
冲击记录仪-运输测振仪冲击记录仪-运输测振仪
主要目的:按照 GIS 技术规程4.2,设备现场卸货、开箱验收,顺利交货验。
参照标准:企业标准                                运输方式:国内短周期高频率陆运
T560数量:一次性40台(配套微型打印机,现场打印数据结果)

关 注  点:

1.高压开关在运输过程中受到振动或冲击较常见,但多数高频冲击振动对GIS影响有限,因此重点关注低频段(30Hz以下)冲击振动。
2.本冲击记录仪加速度记录仪三维冲撞仪)美观小巧,方便固定与拆卸。与GIS固定方式,必须能双面胶粘接,并且要有防止脱落保护。
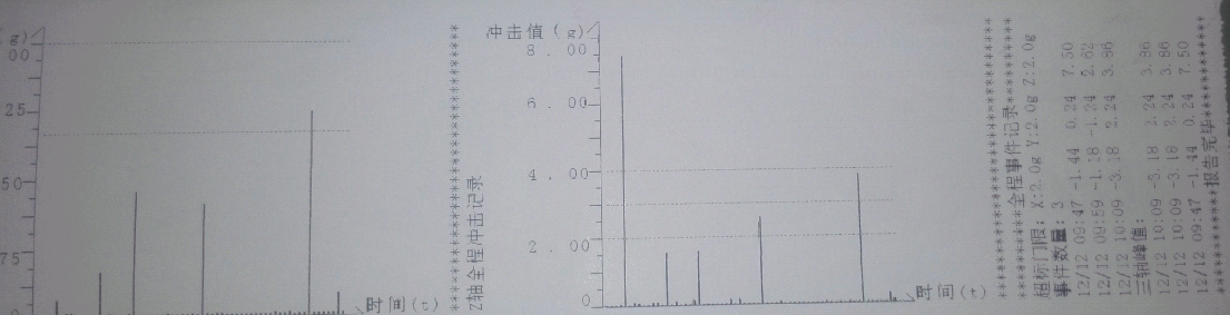
3.现场打印测试数据,开箱即打印数据。包含运输信息、事件数据、全程趋势曲线。

微打展示:

冲击记录仪-运输测振仪   振动冲击记录仪打印数据冲击记录仪-运输测振仪
Powered by metinfo  WWW.LOGZH.COM  蜀ICP备14031869号-4